首页>> 产品中心>> MOSFET>> Trench MOS>>

Trench MOS
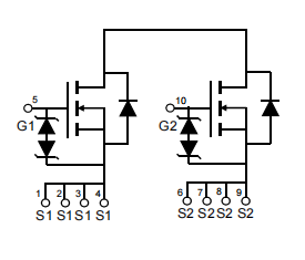
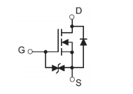
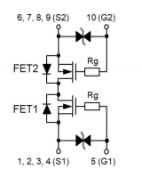
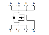
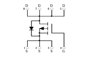
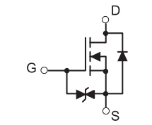
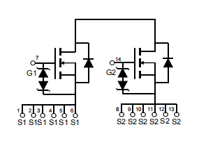
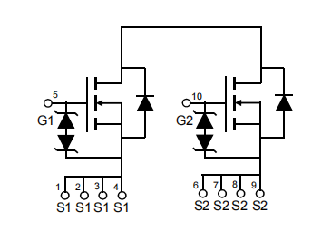
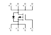
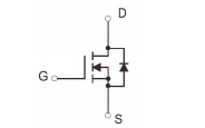
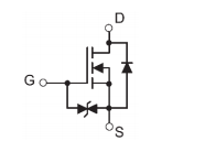
Part Number Download Circuit Status Type Process

ESD

Yes/No

VDS

V

VGS

V

ID

A

VGS(TH)

V

RDS(mΩ)@VGS

10V Typ

RDS(mΩ)@VGS

10V Max

RDS(mΩ)@VGS

4.5V Typ

RDS(mΩ)@VGS

4.5V Max

Package
Active
Dual N
Dual-N
Dual-P
N/P-ch
Single-N
Single-P
Trench
No
Yes
±10
±12
±16
±20
±25
±30
±6
±7
±8
-0.35~-1.1
-0.3~-1
-0.45~-1.2
-0.4~-0.9
-0.4~-1
-0.4~-1.0
-0.4~-1.3
-0.5~-0.9
-0.5~-1
-0.5~-1.2
-0.5~-1.5
-0.6~-1.4
-0.6~-1.5
-1.5
-0.7
-0.7~-1.3
-0.9~-2
-1.0~-2.5
-1.0~-3.0
-1.1~-2.2
-1.2~-2.2
-1.5~-2.5
-1.5~-3
-1.5~-3.5
-1~-2
-1~-2.2
-1~-2.5
-1~-3
-1~-2.5
-1~-3
-2~-3
-2~-4
0.35~1.1
0.35~1.4
0.35~2.5
0.3~1.1
0.45~1
0.45~1.1
0.45~1.2
0.4~1
0.4~1.0
0.4~1.1
0.4~1.2
0.4~1.4
0.4~1.5
0.5~0.9
0.5~1
0.5~1.1
0.5~1.2
0.5~1.3
0.5~1.5
0.5~2
0.5~2
0.65~1.2
0.65~1.20
0.65~1.5
0.6~1
0.6~1.2
0.6~1.4
0.6~1.5
0.7~1.4
0.7~1.5
0.7~3
0.8~1.5
0.8~3
0.9~1.5
1
1.0~2.5
1.2~2.5
1.2~2.8
1.2~3
1.3~2.3
1.3~2.5
1.5
1.5~2.5
1~2
1~2.2
1~2.5
1~2.8
1~3
1~2.2
1~2.5
1~3
2~4
CSPB1111-4
CSPB1313-4
CSPB1515-4
CSPB1717-4
CSPB1912-6
CSPB2213-6
CSPB2217-6
CSPC2019-10
CSPC2115-10
CSPC2624-10
CSPC3015-10
CSPC3028-14
CSPC3030-14
CSPC3220-10
CSPC3421-10
DFN1006-3L
DFN1006-3L-A
DFNWB2x2-6L
DFNWB2x3-6L
DFNWB3x3-8L
DFNWB5x2-6L
PDFNWB3.3x3.3-8L
PDFNWB3.3x3.3-8L-B
PDFNWB5x6-8L
PDFNWB5x6-8L-A
SOP8
SOT-223
SOT-23
SOT-23-3L
SOT-23-6L
SOT-323
SOT-363
SOT-523
SOT-563
SOT-723
SOT-89-3L
TO-220-3L-C
TO-220F
TO-251
TO-252-2L
TO-92
TSSOP8
WBFBP-03E
CJ2302B


Active
Single-N
Trench
No
20
±8
3.8
0.65~1.20
-
-
29
45
SOT-23
CJ17133SP


Active
Dual-N
Trench
Yes
24
±16
16
1~3
1.35
1.85
2.55
4.8
CSPC3030-14
CJ8508SP


Active
Dual-N
Trench
Yes
12
±12
13
0.35~1.4
-
-
2.45
3.2
CSPC3421-10
CJ15221SP


Active
Dual-N
Trench
Yes
12
±8
22.7
0.4~1.4
-
-
1.1
1.4
CSPC3220-10
CJAA7002KL


Active
Single-N
Trench
Yes
60
±20
0.34
1~2.5
-
3500
-
4000
WBFBP-03E
CJAA3144K


Active
Single-N
Trench
Yes
30
±12
0.6
0.5~1.5
-
-
290
500
WBFBP-03E
CJ8810A


Active
Single-N
Trench
No
20
±10
7.2
0.4~1.0
13
17
13.6
17.7
SOT-23
CJ3134KA


Active
Single-N
Trench
No
20
±10
1.7
0.4~1.1
-
-
83
110
SOT-723
CJE3134KA


Active
Single-N
Trench
No
20
±10
1.3
0.4~1.1
-
-
108
150
SOT-523
CJ3134KWA


Active
Single-N
Trench
No
20
±10
1.38
0.4~1.1
-
-
111
150
SOT-323
CJE3139KA


Active
Single-P
Trench
No
-20
±10
-0.78
-0.35~-1.1
-
-
312
450
SOT-523
CJAC055P10A


Active
Single-P
Trench
No
-100
±20
-30
-1.5~-2.5
46
55
51
70
PDFNWB5x6-8L
CJ3139KWA


Active
Single-P
Trench
No
-20
±10
-0.83
-0.35~-1.1
-
-
312
450
SOT-323
CJ25223SP-B


Active
Dual-N
Trench
Yes
12
±8
13.5
0.35~1.4
-
-
2.3
2.9
CSPC2115-10
CJA03N06


Active
Single-N
Trench
No
60
±20
3
1.2~2.5
38
48
40
50
SOT-89-3L
BSS84K


Active
Single-P
Trench
No
-50
±20
-0.13
-0.9~-2
2300
6000
-
-
SOT-23
CJQ023E03A


Active
Dual-P
Trench
No
-30
±20
-8.5
-1.1~-2.2
15
20
20
28
SOP8
CJQ4407A


Active
Single-P
Trench
No
-30
±20
-11
-1.2~-2.2
10.5
14
11.5
16
SOP8
CJQ4435A


Active
Single-P
Trench
No
-30
±20
-9.9
-1.1~-2.2
13
17
17
24
SOP8
CJA10P06MX


Active
Single-P
Trench
Yes
-60
±20
-10
-1.0~-2.5
58
75
75
110
SOT-89-3L